I built this Oberon guitar amplifier for my brother's birthday present.
My brother is a bassist and like most guitarist he likes to play his acoustic bass at the beach with his buddies. His bass however is overpowered by acoustic guitars. He wanted a portable amp that would be loud and easy to carry around. I settled on a mini keg as they are durable and easy to acquire. Bells Oberon spelled the perfect keg. Oberon is a sure sign that summer has arrived and what better way to enjoy summer than with some beer and music at the beach. http://www.bellsbeer.com
We decided that using a rechargeable battery would be the best option. My brother works in the construction field, and as you might expect he has a number of cordless tools. With a little trimming I was able to get an entire DeWALT battery charger into the keg. This allows the keg to double as a charger.
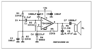
The circuit uses the ubiquitous TDA line of chip amps. The tda2050 to be precice.
I followed this datasheet schematic.
I changed R4 for a 1k potentiometer that allowed me to set the gain for a guitar. I also added this simple passive equalizer.
The setup works better than I expected. The sound is deep and loud. My brother loves it and I hope to have video for you guys soon.

